Compound Wall Staircase Section Layout Plan AUTOCAD DWG File
Description
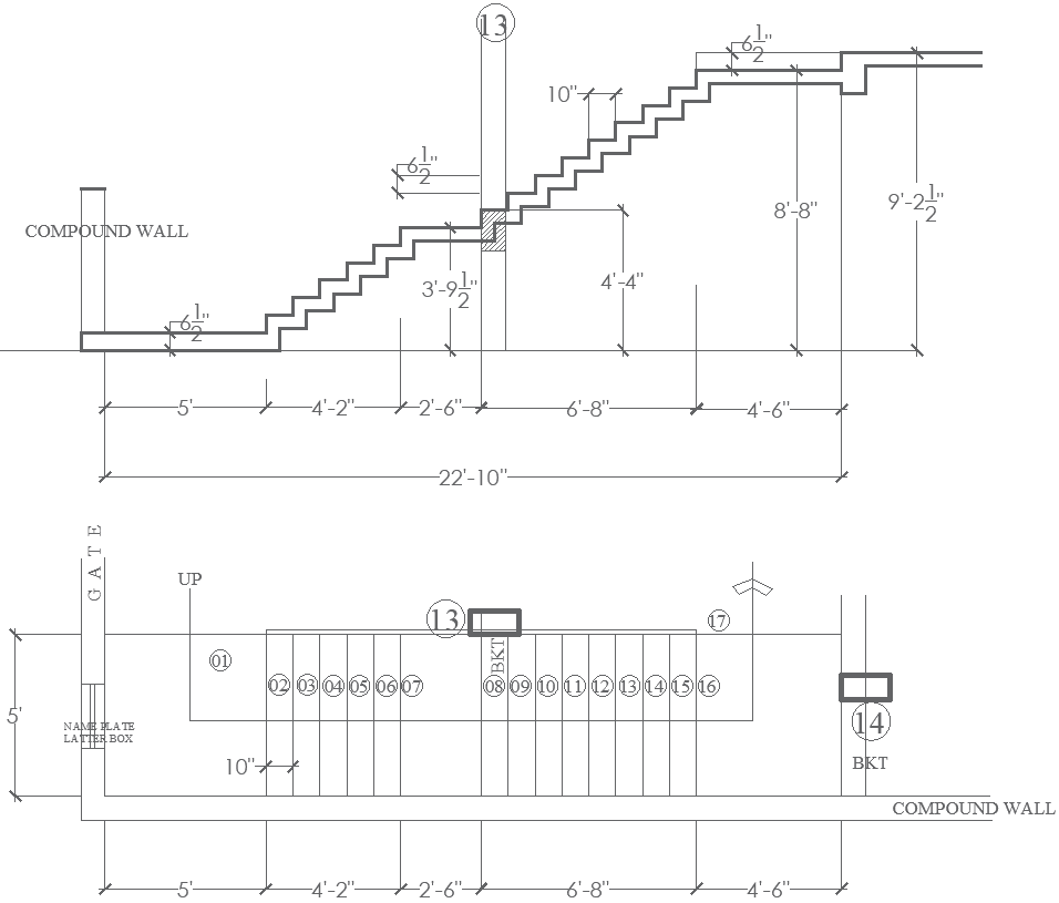
This DWG AutoCAD file presents a detailed section and plan view of a compound wall staircase, complete with precise measurements and structural annotations. The design showcases step dimensions, gate placement, and compound wall details, making it an essential reference for architects and engineers working on compound wall projects with integrated staircases. The drawing includes clear dimensioning for each step rise and tread, the layout of stair landings, and designated positions for features like the gate and nameplate. This file ensures accuracy in staircase construction within compound wall designs, catering to both residential and commercial architectural needs.

Uploaded by:
Eiz
Luna

