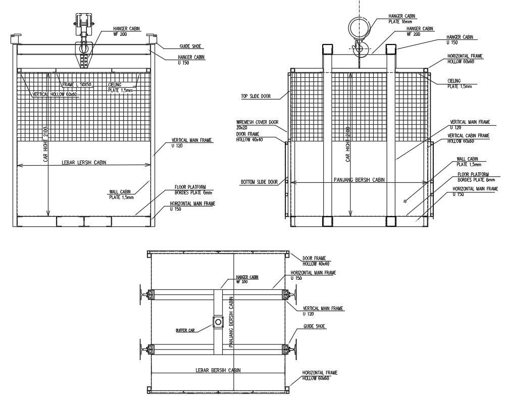
3100mmX2100mm Hanging Cage Design in AutoCAD DWG File
Description
Download a detailed AutoCAD DWG file for a 3100mmX2100mm hanging cage design. Includes structural details, material specifications, sections, and installation guidelines. This file is ideal for engineers and architects working on industrial, commercial, or custom cage installations.
Uploaded by:
manveen
kaur

