Commercial and Residential Basement Parking AutoCAD DWG 6.0m Driveway
Description
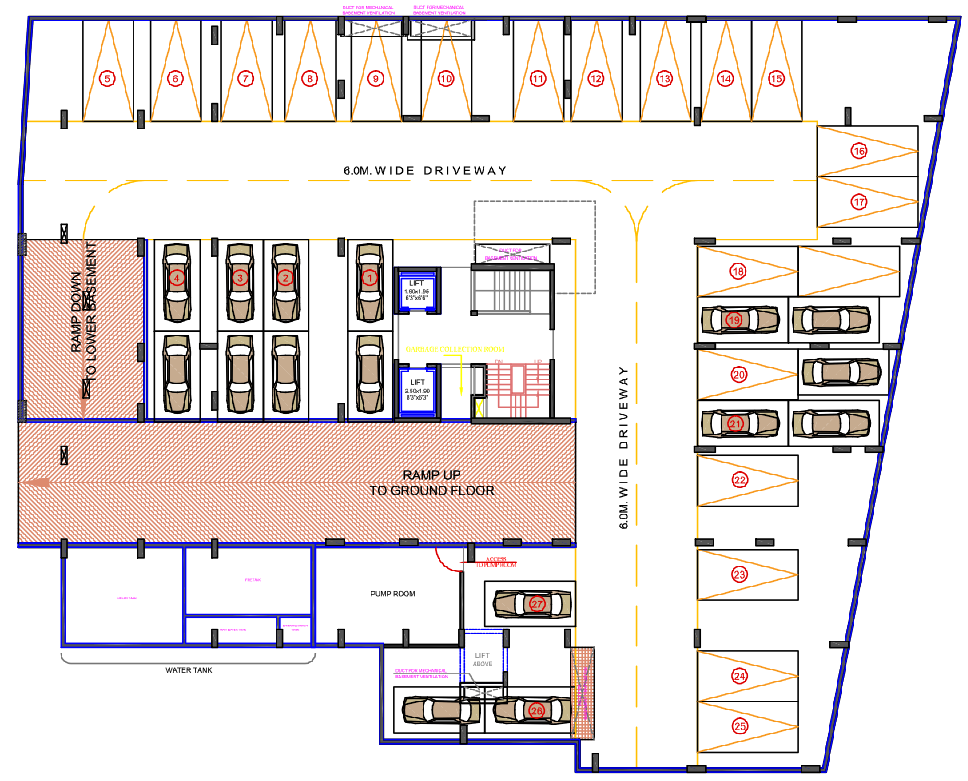
This AutoCAD DWG file showcases a commercial and residential basement parking plan designed to support mixed-use developments. The drawing clearly illustrates a 6.0-meter-wide driveway allowing smooth two-way vehicular movement, along with well-planned car parking bays, numbered slots, and defined circulation paths. Key features include a ramp up to the ground floor, a ramp down to the lower basement, lift cores with accurate dimensions, a pump room, a water tank zone, and designated basement ventilation ducts. The layout ensures efficient traffic flow, safety compliance, and optimal utilization of basement space for both residential occupants and commercial users.
Professionally drafted to industry standards, this AutoCAD basement parking DWG is suitable for architects, civil engineers, builders, and interior designers working on apartments, offices, retail buildings, and mixed-use projects. All parking areas, structural elements, and service zones are clearly marked with practical measurements for easy implementation and coordination. The drawing can be directly used for planning submissions, construction documentation, or adapted into Revit, 3ds Max, or SketchUp workflows. This ready-to-use CAD file helps reduce design time, improve accuracy, and maintain consistency across commercial and residential basement parking designs.

Uploaded by:
Harriet
Burrows

