Modern Apartment Layout AutoCAD Plan with Furniture and Room Details
Description
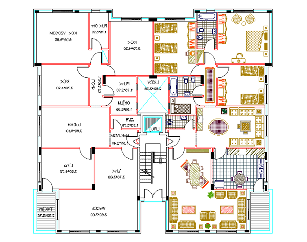
This Apartment Layout AutoCAD DWG drawing presents a well-detailed 2D plan with clear room arrangements, accurate dimensions, and furniture placements for a modern residential unit. The layout includes living areas, bedrooms, a kitchen, a dining space, and balcony designs, ensuring functionality and comfort in spatial planning. Each room is labeled with measurements to support precise construction documentation and visualization. The kitchen and dining area are positioned strategically for convenience, while the living room is designed to offer open connectivity with a semi-formal seating arrangement. The plan also showcases efficient space utilization suitable for urban residential projects.
This DWG file is ideal for architects, civil engineers, interior designers, and construction professionals engaged in apartment or housing design projects. It can be edited and customized using AutoCAD, Revit, or compatible CAD software to meet client or project requirements. The drawing provides a valuable reference for layout optimization, design presentation, and documentation workflows. The inclusion of properly scaled furniture and annotations enhances the drawing’s usability for both conceptual and working-stage design development. It serves as a ready-to-use design base for professionals working on multi-family housing or private apartment construction projects.

Uploaded by:
Niraj
yadav

