Architecture project of industrial plant building dwg file
Description
Architecture project of industrial plant building dwg file
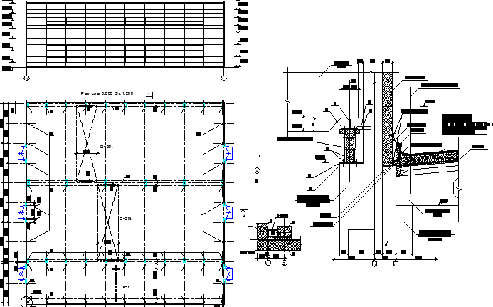
Architecture project of industrial plant building that includes a detailed view of foundation plan with top view of footings, column construction, beam construction and much more of industrial plant details.
Uploaded by:

