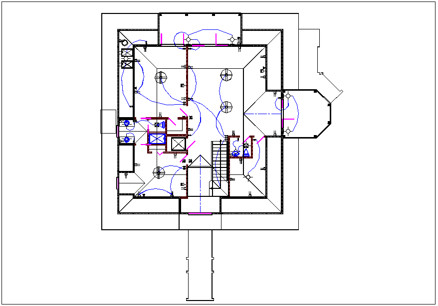
House plan layout and electric plan layout view detail dwg file
Description
House plan layout and electric plan layout view detail dwg file, House plan layout and electric plan layout view detail with design plan layout view of house
Uploaded by:
Uploaded by: