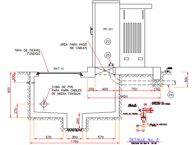
Electric installation details of transformer pedestal dwg file
Description
Electric installation details of transformer pedestal dwg file.
Electric installation details of transformer pedestal that includes a detailed view of cast iron cover, area for cables step, pvc pipe for high voltage cables, connector elbow detail, current limiting fuse, charger of derivations, insulation liquid temperature indicator and much more of pedestal details.
File Type:
DWG
File Size:
76 KB
Category::
Electrical
Sub Category::
Architecture Electrical Plans
type:
Gold
Uploaded by:

