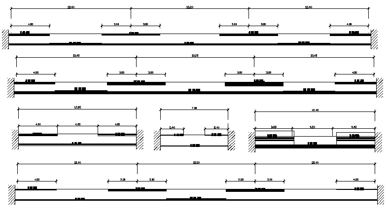
Beam construction details of corporate office dwg file
Description
Beam construction details of corporate office dwg file.
Beam construction details of corporate office that includes a detailed view of beam construction, material used details, concrete plan, material used details, cuts, joints and much more of beam construction details.
Uploaded by:

