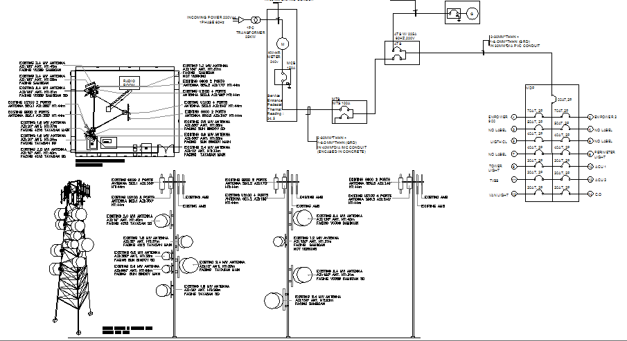
Detailed design of three legged electric region tower dwg file
Description
Detailed design of three legged electric region tower dwg file.
Detailed design of three legged electric region tower that includes a detailed view of tower hit, legged sst view, existing multiple antenna, existing multiple ports, legged electric installation view, dimensions, cable details like jumper cable, feeder cable etc, radio room, fuel tank, wire gen-set and much more of tower installation details.
File Type:
DWG
File Size:
372 KB
Category::
Electrical
Sub Category::
Architecture Electrical Plans
type:
Gold
Uploaded by:

