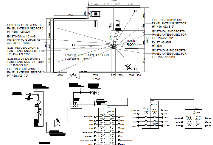
Detailed project of three legged electric tower installation dwg file
Description
Detailed project of three legged electric tower installation dwg file.
Detailed project of three legged electric tower installation that includes a detailed view of battery bank, cable panel, tower hit, legged sst view, existing multiple antenna, existing multiple ports, legged electric installation view, dimensions, cable details like jumper cable, feeder cable etc, radio room, fuel tank, wire gen-set and much more of tower installation details.
File Type:
DWG
File Size:
766 KB
Category::
Electrical
Sub Category::
Architecture Electrical Plans
type:
Gold
Uploaded by:

