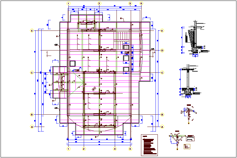
Foundations plan of basement with construction detail view dwg file
Description
Foundations plan of basement with construction detail view dwg file in basement plan
with view of area distribution and view of wall and detail view with its legend and necessary dimension.
Uploaded by:

