Three Legged Tower AutoCAD Drawing with Complete Installation Details
Description
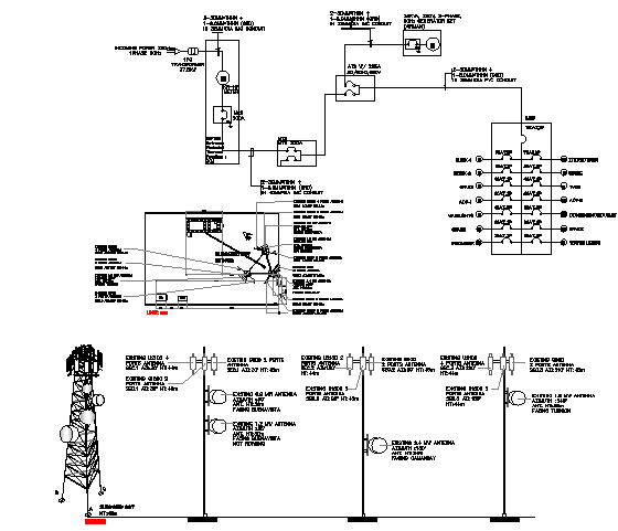
The Three Legged Tower AutoCAD drawing file provides a comprehensive layout of the tower’s structural and installation details, ideal for civil and telecom engineering projects. This drawing includes a detailed view of the antenna setup, existing port panel connections, cable routes, genset, fuel tank, and lighting system with proper labeling. Each element is carefully represented in this AutoCAD drawing, showcasing the mechanical, structural, and electrical layout of a three-legged communication tower. It helps engineers and designers visualize load distribution, leg foundation, and antenna placement, ensuring safety and precision during real-world installation. The file also contains voltage measurement, power phase indicators, and conduit details necessary for electrical planning. Designed for professionals in communication and structural design fields, this AutoCAD tower drawing supports both educational and industrial applications. It provides accurate data for installation planning, maintenance, and structural audits. This resource is ideal for telecom engineers, construction planners, and students looking to understand the real-world specifications and technical layout of tower infrastructure.
File Type:
DWG
File Size:
326 KB
Category::
Electrical
Sub Category::
Architecture Electrical Plans
type:
Gold
Uploaded by:

