First Floor Residential AutoCAD DWG Plan with Bedroom and Lounge
Description
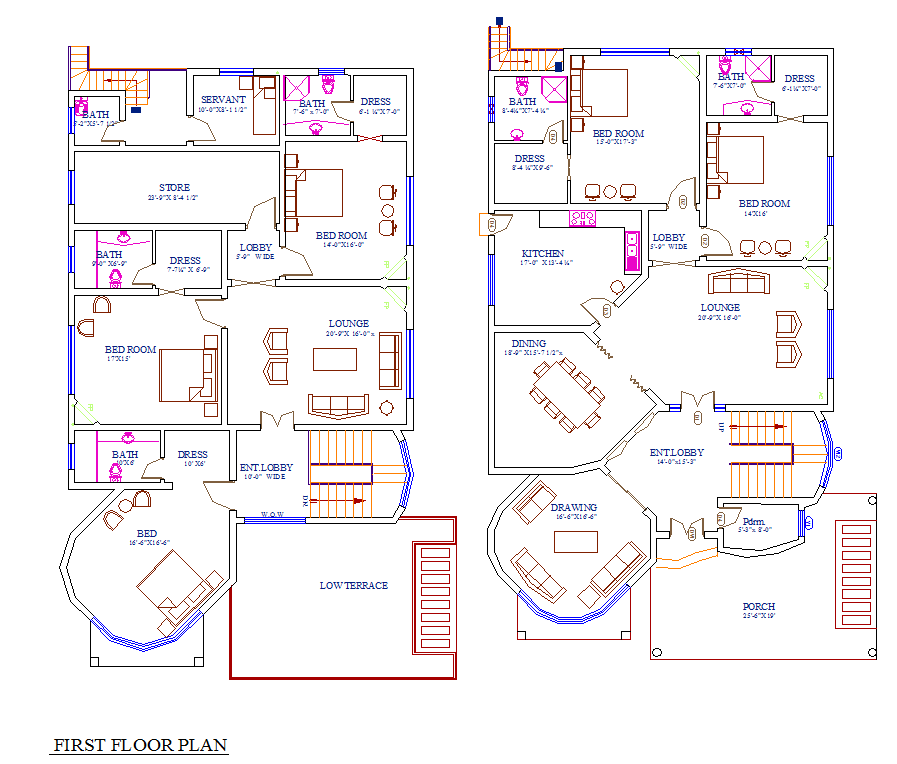
This first-floor AutoCAD DWG residential plan presents a well-detailed architectural layout that is ideal for modern home design projects. The plan includes four spacious bedrooms, each with attached bathrooms and dressing rooms, ensuring privacy and comfort. The layout also features a large central lounge, dining space, kitchen, and entry lobby, perfectly organized for daily functionality and movement flow.
Additional elements like the servant room, terrace area, and drawing room enhance the usability and luxury of the house. Each measurement is precisely marked in the DWG file for accuracy in design execution, making it a valuable resource for architects, interior designers, civil engineers, and builders. The file structure supports use in AutoCAD, Revit, and 3ds Max, allowing customization and scaling for residential architecture projects. This plan is especially suitable for families looking for modern, spacious, and well-ventilated house layouts.

Uploaded by:
muhammad
yousaf

