Cabin details with generator of three legged tower dwg file
Description
Cabin details with generator of three legged tower dwg file.
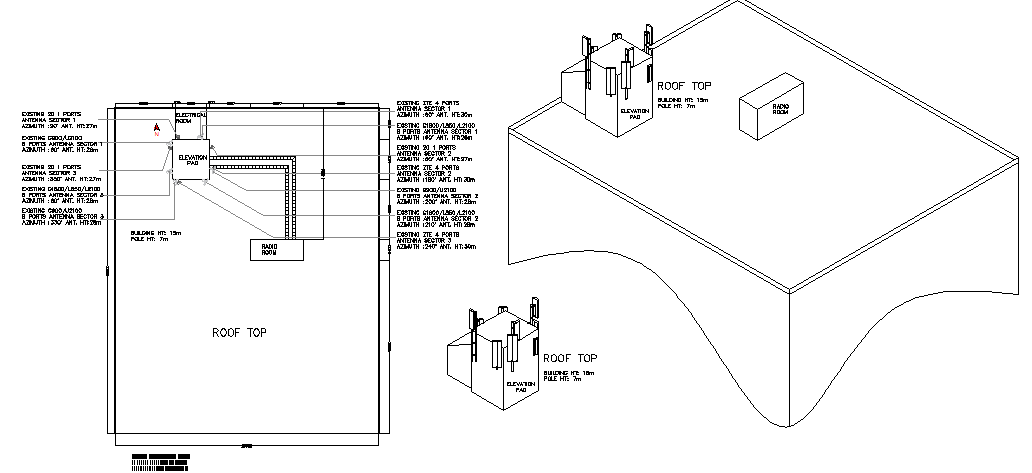
Cabin details with generator of three legged tower that includes a detailed view of that includes a detailed view of existing one and two ports panel antenna, leg one, leg two, leg three, incoming power, transformer, cable panel details, generator set, conduct, meter and much more of tower details.
File Type:
DWG
File Size:
363 KB
Category::
Electrical
Sub Category::
Architecture Electrical Plans
type:
Gold
Uploaded by:

