Construction detail dwg file

Construction detail dwg file
Profile

Uploaded by:

Parth

Description
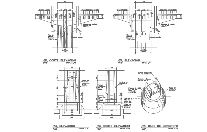
Construction detail dwg file, center line plan, foundation plan detail In naming detail and dimension detail, roof plan detail in naming an dimension detail , tree detail, beam detail in reinforcement detail in dimension detail and naming detail, reinforcement table detail, etc.
Profile

Uploaded by:

Parth

find Latest

Related Files