Education center construction view with detail dwg file
Description
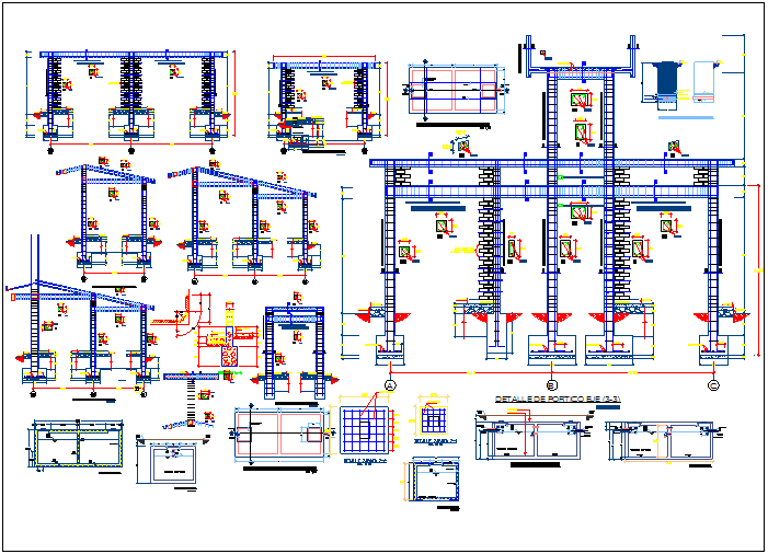
Education center construction view with detail dwg file in construction detail with view
of wall,stair and support view and different joint view of column and support with necessary dimension.
Uploaded by:

