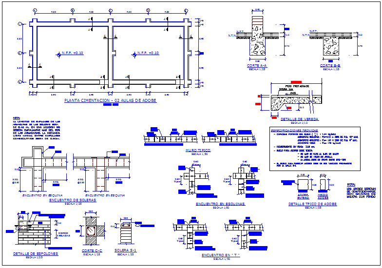
Foundation plan with construction detail of education center dwg file
Description
Foundation plan with construction detail of education center dwg file in foundation plan
with area distribution and wall view with and different section view of wall with necessary dimension.
Uploaded by:

