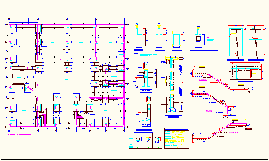
Structural view with column detail of school floor plan dwg file
Description
Structural view with column detail of school floor plan dwg file in floor plan with area distribution and view of column view with column detail view with necessary dimension and
column detail view.
Uploaded by:

