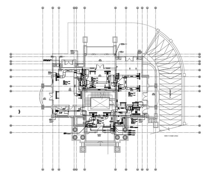
Ground floor plan with HVAC work detail.
Description
Ground floor plan with HVAC work detail. HVAC layout detail in all overbuilding. Detail of refrigerant pipe from vrf outdoor unit, detail of f.d, v.d, sizes of it, all vent and pipes dia and sizes.
Uploaded by:

