House Column Plan with Section and Structural Detail
Description
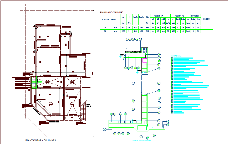
Column plan with detail of section view with structural view for house dwg file in plan of column with view of area view,column mounting position view and wall and wall support view with necessary dimension.
Uploaded by:

