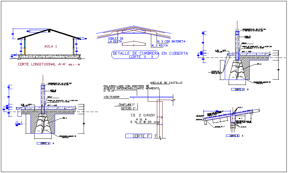
Different section view with structural view for classroom dwg file
Description
Different section view with structural view for classroom dwg file in sectional detail view with column view with its support and foundation view,different wall view with
wall support with terrace view with necessary dimension.
Uploaded by:

