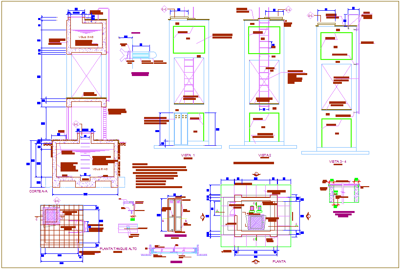
Tank section view with plan and structural detail for classroom dwg file
Description
Tank section view with plan and structural detail for classroom dwg file in section view of tank with wall and wall support in beam and column and concrete view in box section of tank with necessary dimension.
Uploaded by:

