Column plan view in residence of house with structural view dwg file
Description
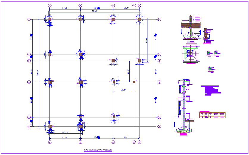
Column plan view in residence of house with structural view dwg file in plan with view of area distribution and column mounting position with detail view of column section and footing schedule with its view with necessary dimension.
Uploaded by:

