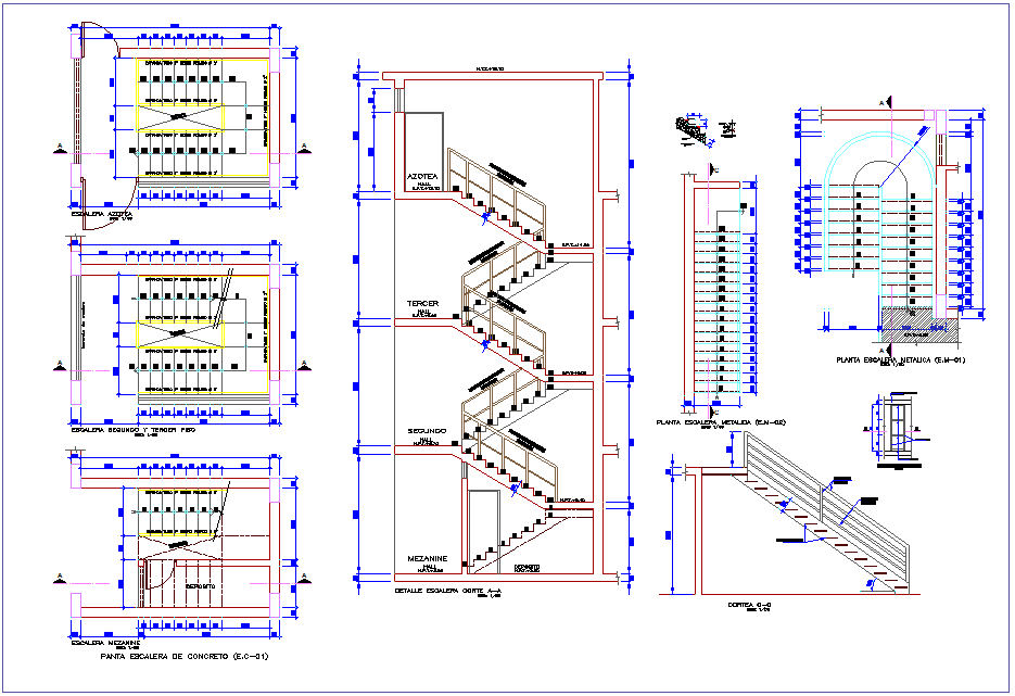
Stair detail view with elevation with construction view dwg file
Description
Stair detail view with elevation with construction view dwg file in plan with view of area distribution
with necessary view of stair with step view,stair support view with necessary detail view with necessary dimension.
Uploaded by:

