Tolerance view with mechanical part of lifting lug dwg file
Description
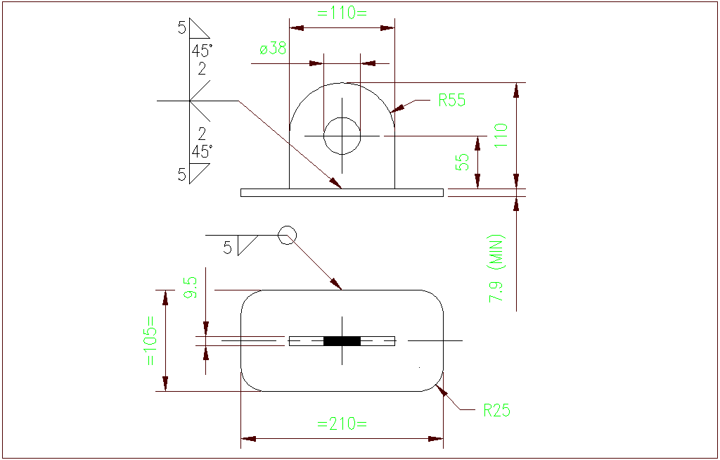
Tolerance view with mechanical part of lifting lug dwg file in lifting lug elevation with view of semi circular view in upper side and base view,hole view in center and plan with width and length of base plate and tolerance view with necessary dimension.
Uploaded by:

