Plumbing details and water facilities of multi-family house dwg file
Description
Plumbing details and water facilities of multi-family house dwg file
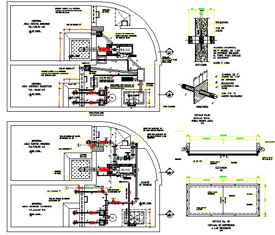
Plumbing details and water facilities of multi-family house that includes a detailed view of inspection window to the tankers, team roof, domestic consumption, up down impulsion, plumbing details, water accessories, tabs, materials, measures and much more of plumbing details.
File Type:
DWG
File Size:
1.7 MB
Category::
Dwg Cad Blocks
Sub Category::
Autocad Plumbing Fixture Blocks
type:
Gold
Uploaded by:

