Transformer protection panel with electrical diagram for bank agency dwg file
Description
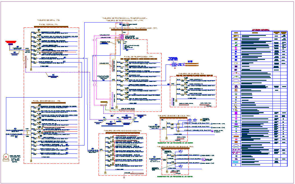
Transformer protection panel with electrical diagram for bank agency dwg file in view with electrical single line view with different electrical connection like a general,water line,air conditioning line,telephone line and with necessary electrical view.
Uploaded by:

