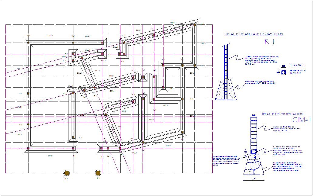
Construction view with foundation view of column for office dwg file
Description
Construction view with foundation view of column for office dwg file in foundation plan with view of
area distribution and view of column mounting view with view of column foundation view with wall and wall support view with necessary detail.
Uploaded by:

