Gas installation cad drawing details dwg file
Description
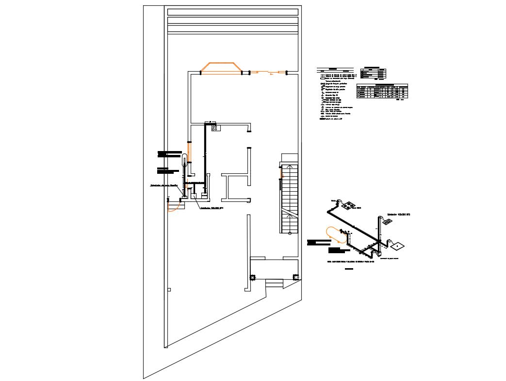
Gas installation cad drawing details that includes a detailed view of rigid copper filling pipe type k, Trench channel with removable lid, Stationary tank, portable tank game, Low pressure regulator, High pressure regulator, Connection elbow 90 °, TE type connection, Cross type connection, Quick closing control valve and much more of gas installation details.
Uploaded by:

