Storage and dehydration of sludge cad plumbing details dwg file
Description
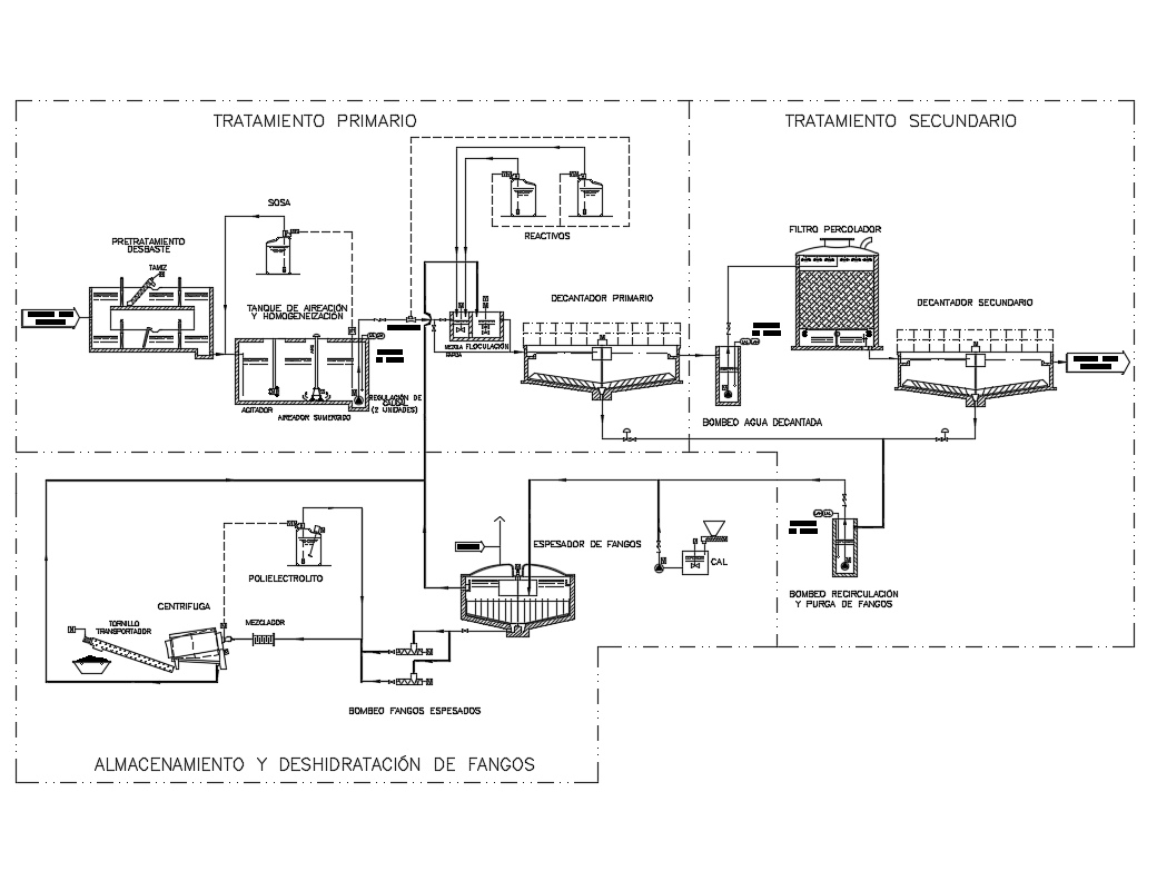
Storage and dehydration of sludge cad plumbing details that includes a detailed view of primary treatment, secondary treatment, aeration and homogenization tank, secondary decanter, percolator filter, decanated water pumping and much more of plumbing details.
Uploaded by:

