Front constructive section details of two-level house dwg file
Description
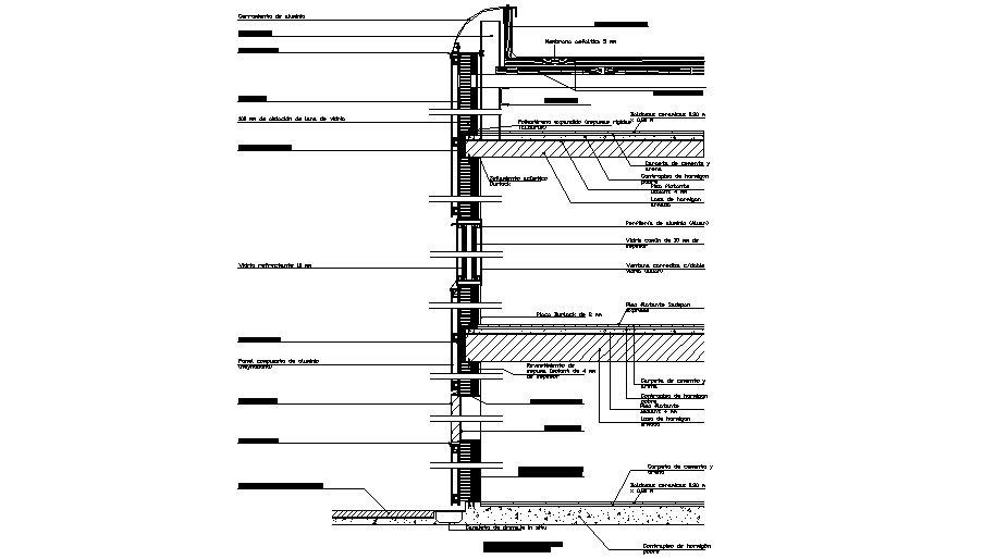
Front constructive section details of two-level house that includes a detailed view of flooring view, wall construction, memory of materials, footings details, column view, beam construction, covers closure type, soil burried wall closure , exterior solera, holes, interior partition, granite veneer of the country with steel supports, halfeneisen type, Brick partition, plaster plastering, Concrete wall and much more of section details.
File Type:
DWG
File Size:
145 KB
Category::
Structure
Sub Category::
Section Plan CAD Blocks & DWG Drawing Models
type:
Gold
Uploaded by:

