Municipal dry bed sewer system cad structure details dwg file
Description
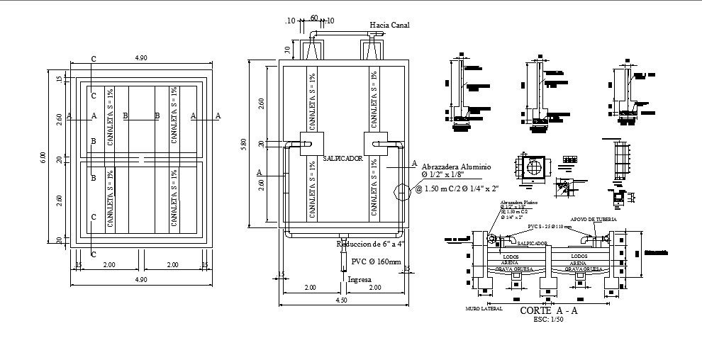
Municipal dry bed sewer system cad structure details that includes a detailed view of controller-to-valve details & wiring diagram, pipe and wire trenching, main isolation valve assembly, control valve assembly, air / vacuum relief valve, drain/flush valve, dripper for palms and trees, drip line connection details, pvc to pe drip line take-off, drip irrigation for groundcovers, concrete thrust blocks, dimensions details, material details and much more of sewer system details.
File Type:
DWG
File Size:
135 KB
Category::
Dwg Cad Blocks
Sub Category::
Autocad Plumbing Fixture Blocks
type:
Gold
Uploaded by:

