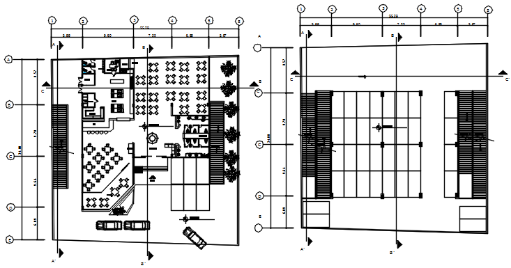
Plan of the restaurant with detail dimension in AutoCAD
Description
Plan of the restaurant with detail dimension in AutoCAD it includes detail of roof plan, detail of dining area, washroom, toilet, parking area, etc.

Uploaded by:
Eiz
Luna

Uploaded by:
Luna