LOGIN
HOME
CATEGORIES
UPLOAD FILE
PRICING
HOUSE PLAN
ABOUT US
CONTACT US
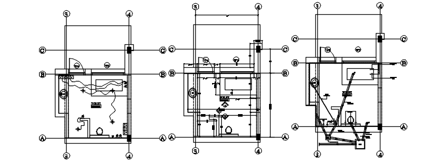
Bathroom layout in AutoCAD
Home
Categories
Interior Design
Bathroom Interior
Bathroom layout in AutoCAD
Uploaded by:
K.H.J
Jani
View Profile
View Profile
Description
Bathroom layout in AutoCAD it includes floor level, plumbing layout, electrical layout it also includes w.c,bathtub,basin,wet and dry area,etc
File Type:
DWG
File Size:
236 KB
Category::
Interior Design
Sub Category::
Bathroom Interior
type:
Gold
Uploaded by:
K.H.J
Jani
View Profile
Download
Add to libary
find Latest
Related
Files