Steel beam anchor joint detail cad file
Description
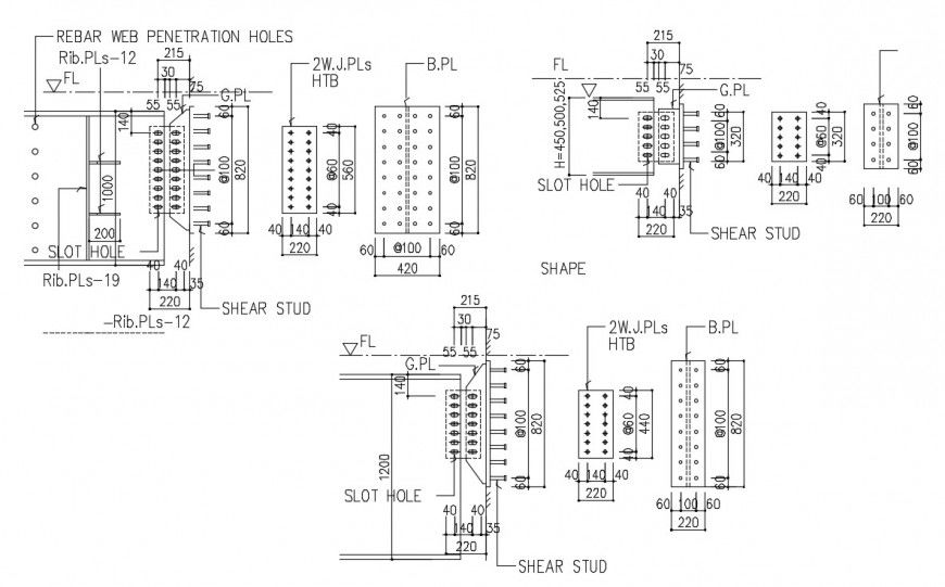
Steel plates with welded headed studs or other fasteners such as post-installed anchors. Thereby a steel beam can be connected by butt straps, cams or a beam end, beam-to-column connections of a steel frame, download free cad file and use cad presentation.
Uploaded by:
Eiz
Luna

