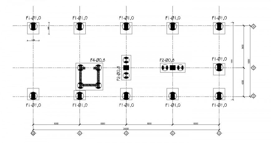
CAD details drawings of foundation footing plan dwg file
Description
CAD details drawings of foundation footing plan dwg file that shows foundation footing plan details along with footing spacing details and bar dimension details also included in drawings.
Uploaded by:
Eiz
Luna

