Elevator pit section, plan and installation drawing details dwg file
Description
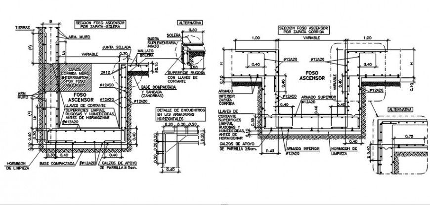
Elevator pit section, plan and installation drawing details here you can download free auto-cad file of lift with key plan details, machine room plan details with counter weight details, engineering details with key section details and fabrication of castellated beam details and welded splice joints with bolted spice joints details, typical apex hinge joints details with alternative details and isometric view plan, portal frames and knee details and much more of lift elevator details.
File Type:
DWG
File Size:
89 KB
Category::
Mechanical and Machinery
Sub Category::
Elevator Details
type:
Gold
Uploaded by:
Eiz
Luna

