Second floor plan of office with furniture cad drawing details dwg file
Description
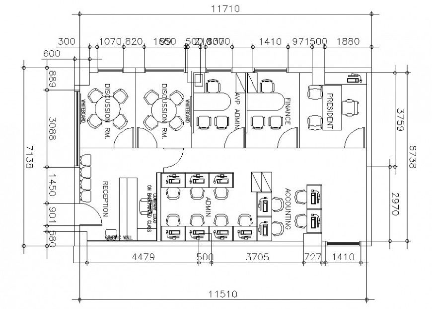
Second floor plan of office with furniture cad drawing details that includes a detailed view of reception area with waiting area and cabin and computer lab with counseling room and library and conference room details, manager cabin and meeting room, cleaning department with departmental office, smoking area, head offices, accountant rooms and pantry, kitchen and dining area, server room and meeting room and pantry and much more of office building details.
Uploaded by:
Eiz
Luna

