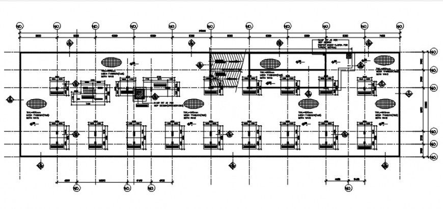
Foundation layout plan of building blocks drawings in autocad file
Description
Foundation layout plan of building blocks drawings in autocad file that shows ramp staircase details along with foundation footing details dimension section line foundation spacing and other blocks details also included in drawings.
Uploaded by:
Eiz
Luna

