Structure Construction detail with concrete detail
Description
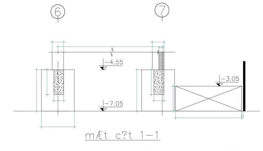
Structure Construction detail with concrete detail, Column detail in DWG File, Side view detail in DWG file, Concrete detail in DWG file, Level detail with dimension include drawing detail.
File Type:
DWG
File Size:
173 KB
Category::
Construction
Sub Category::
Construction Detail Drawings
type:
Gold
Uploaded by:
Eiz
Luna

