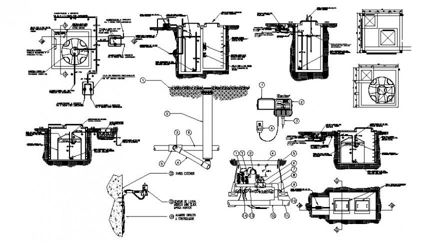
Septic water tank sections, plan and plumbing structure drawing details dwg file
Description
Septic water tank sections, plan and plumbing structure drawing details that includes a detailed view of method of fixing water gauge meter with boundary wall, septic tank plan details, elevation and all sided sectional details with dimensions details, manhole plan details, water depth detail, memory of material details, structure detail and much more of tank details.
Uploaded by:
Eiz
Luna

