Water pump house section, plan and plumbing structure drawing details dwg file
Description
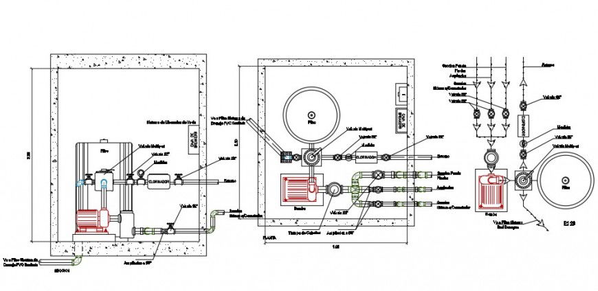
Water pump house section, plan and plumbing structure drawing details that includes a detailed view of controller-to-valve details & wiring diagram, pipe and wire trenching, main isolation valve assembly control valve assembly with air / vacuum relief valve, drain/flush valve, dripper for palms and trees, drip line connection details, pvc to pe drip line take-off and drip irrigation for groundcovers, concrete thrust blocks, dimensions details, material details and much more of plumbing details.
Uploaded by:
Eiz
Luna

