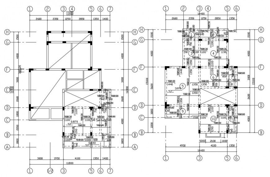
Two floor of village house framing plan structure details dwg file
Description
Two floor of village house framing plan structure details that includes a detailed view of wood posts with Grider pre-engineering, steel pipe column and play joints, existing floor joints, knee wall details provided. Steel pipe column with beam schedule details, dimensions details, measures and much more of framing plan details.
Uploaded by:
Eiz
Luna

