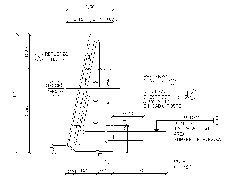
Bridge railing design
Description
This design draw in autocad format. A rail is a rail that is designed to be grasped by the hand so as to provide stability or support. Bridge railing design Design File, Bridge railing design Detail.

Uploaded by:
Jafania
Waxy

