Foundation detail autocad file
Description
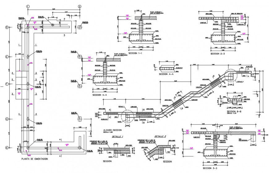
the foundation plants level specified soil or with organic matter, will deepen the excavation and a subsoil of concrete cyclopean from f'c = 100 kg / cm2 with 25% large stone maximum 8 "minimum height, download free cad file and use for cad presentation
Uploaded by:
Eiz
Luna
