Pile Foundation Engineering Design DWG File with Layout Details
Description
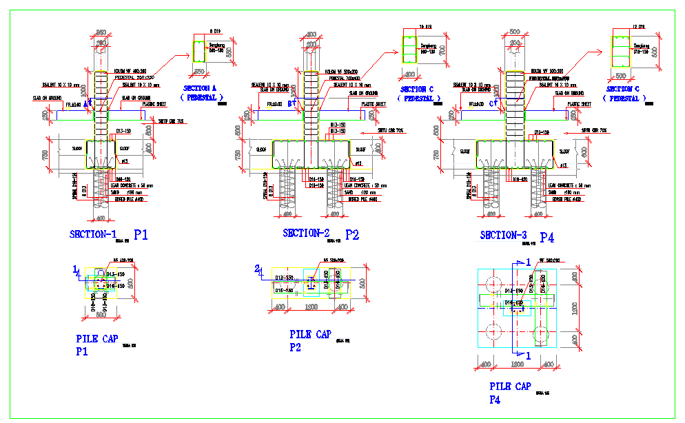
CAD drawing file pile foundation details, including plan, sectional views, and dimensional data. Suitable for architects, engineers, and construction professionals, this file ensures precise planning and documentation. It assists in structural analysis and provides a clear reference for foundation construction, making it an essential resource for accurate project execution in civil engineering and architectural projects.

Uploaded by:
Harriet
Burrows

