Villa Second floor framing plan structure cad drawing details dwg file
Description
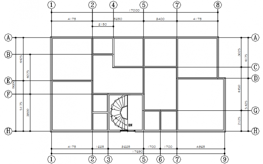
Villa Second floor framing plan structure cad drawing details that includes a detailed view of wood posts with Grider pre-engineering, steel pipe column and play joints, existing floor joints, knee wall details provided. Steel pipe column with beam schedule details, dimensions details, measures and much more of framing plan details.
Uploaded by:
Eiz
Luna

