Electrical meter installation autocad file
Description
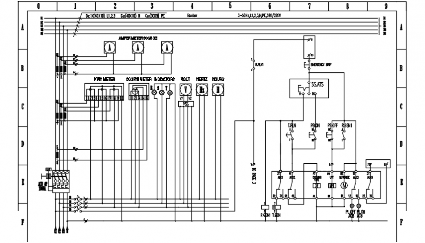
Electrical meter installation autocad file Install a connector and a piece of pipe from the meter to the ground to protect the electric meter ground wire.
Uploaded by:
Eiz
Luna
Electrical meter installation autocad file Install a connector and a piece of pipe from the meter to the ground to protect the electric meter ground wire.
Uploaded by:
Luna