Wire installation design dwg file
Description
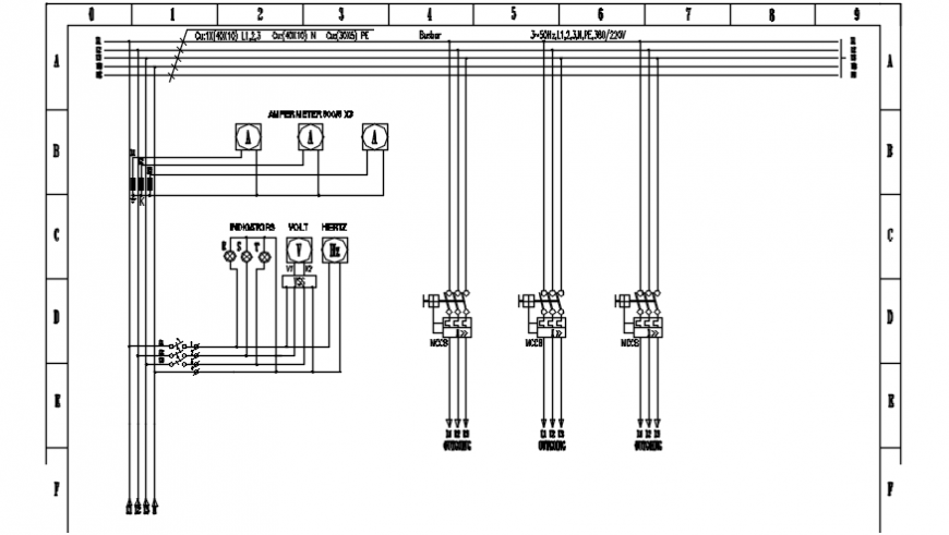
Wire installation design dwg file includes layout plan of with aper meter 800/5 *3.includes device for measuring the electric power and energy supplied to meter.
Uploaded by:
Eiz
Luna
Wire installation design dwg file includes layout plan of with aper meter 800/5 *3.includes device for measuring the electric power and energy supplied to meter.
Uploaded by:
Luna