2d cad drawing of bridge 180 mt length autocad software
Description
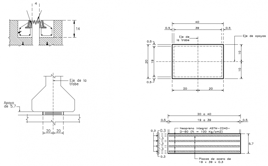
2d cad xdrawing of bridge 180 mt lenght autocad software tht detailed with the beaker shaped with dimension.rectangular shaped bridge been built the base struture with dimeensions given for the drawing.
Uploaded by:
Eiz
Luna

